Внутрискважинное оборудование при газлифте
При компрессорном газлифте, также как и бескомпрессорном для пуска скважины в работу требуется значительно большее давление, чем в процессе работы. Для снижения пускового давления в скважине на подъемной колонне устанавливают пусковые клапаны. При их установке происходит ввод газа в подъемную колонну, сначала в верхнюю часть колонны от уровня установки первого пускового клапана, потом от второго и т. д., пока весь столб поднимаемой смеси не будет газирован (рис. 4.17, а...е).

Рис. 4.17. Схема работы пускового клапана
Все многообразие глубинных клапанов можно классифицировать по следующим признакам:
1. По назначению:
1.1. Пусковые
1.2. Рабочие
1.3. Концевые
2. По конструкции:
2.1. Пружинные
2.2. Сильфонные
2.3.
Комбинированные
3. По характеру работы:
3.1. Нормально открытые
3.2. Нормально
закрытые
4. По давлению срабатывания
4.1. От давления в затрубном
пространстве
4.2. От давления в НКТ (подъемнике)
По принципу действия клапаны являются дифференциальными.
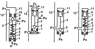
Принципиальные схемы пусковых клапанов показаны на рис. 4.18 (а, б, в, г). При подаче газа в затрубное пространство жидкость из последнего выжимается в насосно-компрессорные трубы через отверстия в ниппеле. На поверхности устанавливается необходимая площать проходного сечения отверстий с помощью перекрытия их регулировочным кольцом. После того как к пусковому клапану подойдет газ, он начнет поступать в насосно-компрессорные трубы, (НКТ), смешается с жидкостью и поднимет ее до устья. Часть жидкости будет отведена через устьевое оборудование. Оставшаяся в скважине смесь жидкости с газом будет создавать уже меньший напор у пускового клапана.

Рис. 4.18. Принципиальные схемы глубинных клапанов: а — пружинный; б — сильфонный, срабатывающий от давления в затрубном пространстве Рк; в — сильфонный, срабатывающий от давления в трубах РТ, (подъемнике); г - комбинированный; 1 - нижнее седло клапана; 2 - нижний клапан; 3 - шток клапана; 4 - сильфонная камера; 5 - регулировочная гайка; б - пружина; 7 - упор пружины; 8 - отверстие в корпусе клапана; 9 - верхний клапан; 10 - верхнее седло клапана; 11 - корпус клапана; 12 - стенка НКТ
Газ сможет продолжать отжимать уровень жидкости в затрубном пространстве. Давление газа в затрубье будет снова повышаться. У клапана 2 возникнет определенная разность давления - снизу большее давление газа в затрубье, сверху меньшее давление смеси в НКТ. Тогда клапан 2 поднимется, сжимая пружину 6, перекроет отверстия в ниппеле и закроет доступ газа в насосно-компрессорные трубы.
Усилие пружины, действующее на клапан 2, можно изменять с помощью регулировочной гайки 5. Пружина пускового клапана защищена кожухом.
Расстояние между пусковыми клапанами должно быть такое, чтобы при закрытии верхнего клапана жидкость в затрубье была отжата газом до пускового клапана, находящегося ниже первого. При этом газ начинает поступать в нижний клапан, и столб жидкости в насосно-компрессорных трубах уменьшает свой вес. Далее продолжается отжатие жидкости в затрубном пространстве, в полости ниже второго пускового клапана.
Клапаны устанавливаются на внешней поверхности труб, и для смены или регулировки их необходим подъем всей колонны. Это неудобство устраняется новым методом установки газлифтных клапанов (рис. 4.19), когда клапан 5 спускается внутрь подъемной колонны 1, доводится до кармана 4 скважинной камеры 2 и устанавливается в нем с помощью кулачкового фиксатора 3. В скважинное газлифтное оборудование входят также пакер 6 и приемный клапан 7. Клапаны могут спускаться на проволоке или сбрасываться в трубы. Подъем таких клапанов возможен без подъема колонны насосно-компрессорных труб и производится с помощью специальных съемников, спускаемых во внутреннюю полость подъемной колонны.

Рис. 4.19.
Скважинная газлифтная камера
Скважинное газлифтное оборудование такого типа, предназначенное для эксплуатационной колонны диаметром 168 и 146 мм, имеет шифры: Л-73А-210, Л-73Б-210, Л-60А-210, Л-60Б-210, где числа 73 и 60 - условный диаметр подъемных труб, мм; 210 - рабочее давление, 10-1 Мпа.
Оборудование комплектуется от 1 до 9 пусковыми газлифтными клапанами и одним рабочим клапаном и, соответственно 2...10 скважинными камерами, 2...10 кулачковыми фиксаторами ФК (не входят в комплект оборудования типов Л-73Б-210 и Л-60Б-210), пакером ПН-ЯГМ, приемным клапаном, переводниками.
Газлифтные клапаны на рабочее давление 21 МПа имеют шифры: Г-38, Г-38Р, Г-38-70Д, Г-25, Г-25Р, 1Г-25, 1Г-25Р, Г-20, Г-20Р, где 38, 25, 20 - условный диаметр клапана, мм; Р - рабочий клапан (остальные - пусковые); Д - камера клапана заполнена демпфирующей жидкостью.
В газлифтных клапанах Г роль пружины (см. рис. 4.18, б, позиция 4) выполняет сильфон, заряженный под давлением 0,2...0,7 МПа азотом.
Газлифтные клапаны типа Г по назначению делятся на пусковые и рабочие.
Скважинные камеры с эксцентричным расположением кармана для клапанов являются наиболее совершенными и распространенными. Они сохраняют проходное сечение в месте установки клапана, равным проходному сечению колонны подъемных труб. Это позволяет проводить все скважинные работы (исследование, промывку призабойной зоны, смену съемных элементов скважинного оборудования) без извлечения колонны подъемных труб.
Скважинная камера К (рис. 4.20, а) представляет собой сварную конструкцию, состоящую из рубашки 2, выполненной из специальных овальных труб, и двух наконечников 1 с резьбой насосно-компрессорных труб по ГОСТ 633.

Рис. 4.20.
Скважинные камеры типов К (а); КН (б); КТ (в): 1 — наконечник; 2 — рубашка; 3 -
карман; 4 - газоотводящий патрубок; 5 — направляющая
В рубашке камеры предусмотрен карман 3 для установки клапанов и пробок с помощью набора инструментов канатной техники через устье скважины, герметизированное оборудованием ОУГ 80 x 350.
Газ или жидкость (для ингибиторного и циркуляционного клапанов) поступает из затрубного пространства через перепускные отверстия а камер к клапану. Клапаны и пробки уплотняются в кармане двумя наборами уплотнительных манжет, для которых предусмотрены посадочные шейки в кармане.
Для фиксации клапанов и пробок в кармане предусмотрены специальные расточки, в которые входит фиксирующая цанга или кулачок фиксатора.
Камера КН (см. рис. 4.20, б) применяется для установок периодического газлифта ЛП и имеет газоотводящий патрубок 4, соединяемый с газоотводящим устройством.
Камера КТ (см. рис. 4.20, в) отличается от камеры типа К наличием в верхнем наконечнике направляющей оправки 5, позволяющей для посадки клапанов использовать консольный отклонитель типа ОК, обеспечивающий надежность работ в наклонных скважинах.
Управляющее давление для пусковых клапанов - давление газа, нагнетаемого в затрубное пространство скважины. При работе указанных клапанов газ через отверстия проникает в полость, где, воздействуя на эффективную площадь сильфона, сжимает его. В результате этого шток поднимается, и газ, открывая обратный клапан, поступает в подъемные трубы, аэрируя жидкость в них.
Управляющее давление для рабочих клапанов - давление жидкости в колонне подъемных труб. При работе этих клапанов жидкость из колонны подъемных труб через отверстие в клапане поступает в полость, где, сжимая сильфон, оттягивает шток от седла и открывает клапан.
Для регулирования режима нагнетания газа предусмотрены сменные дроссели.
Клапаны типов Г-38 и ГР-38 фиксируются в скважинных камерах при помощи кулачкового фиксатора ФК-38, навинченного на клапан. При посадке кулачок фиксатора, задевая за край кармана, утапливается в окне фиксатора, а после входа в канавку кармана он выходит из окна, фиксируя клапан.
В клапанах типов 2Г, 5Г, 3Г фиксирующим элементом служит цанга.
Скважинные камеры обозначаются аналогично скважинному газлифтному оборудованию: К-73А-210, К-73Б-210, К-60А-210, К-60Б-210. Корпус камеры имеет овальную форму. Это позволяет располагать газлифтные клапаны эксцентрично и поэтому проходное сечение подъемной колонны в области скважинных камер не уменьшается.
Скважинное газлифтное оборудование первой категории качества имеет среднюю наработку на отказ до 10000 ч, высшей категории - до 15000 ч.

