Конструкция двухкомпонентного струйного монитора
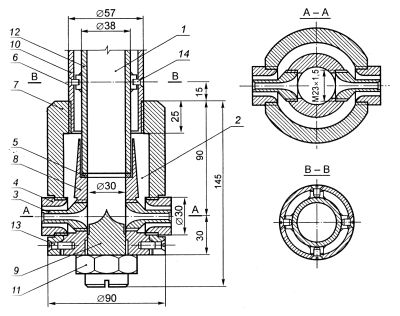
На рис. 1.17 показана конструкция двухкомпонентного струйного монитора с соосными каналами для подвода рабочих компонентов. Особенностью данной конструкции является наличие резьбы на внешней, подводящей воздушной трубе. Внутренняя, растворная труба, жестко связанная с внешней, имеет в соединении уплотнение в виде кольца из отожженной меди, к которому она прижимается усилием, возникающим при завинчивании резьбы внешней трубы.
Как показывает практика, такое уплотнение является не вполне надежным: имели место случаи прорыва цементного раствора под большим давлением между торцом трубы и поверхностью уплотнительного кольца - вследствие абразивного разрушения уплотняющего материала.

Рис. 1.17. Двухкомпонентный струйный монитор
1 - канал для подачи
размывающей жидкости; 2- канал для сжатого воздуха; 3 - насадка для размывающей
жидкости; 4 - воздушная насадка; 5 - уплотняющее кольцо; 6- гнездо крепежного
винта; 7- внешний корпус; 8- внутренний корпус; 9- направляющая для потока
жидкости; 10- внешняя подводящая труба для сжатого воздуха; 11 - гайка; 12 -
внутренняя подводящая труба для размывающей жидкости; 13- регулирующий винт; 14-
крепежный винт
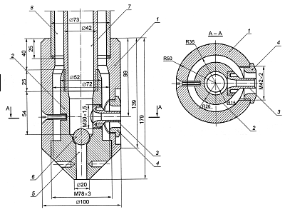
На рис. 1.18 показана конструкция двухкомпонентного струйного монитора , позволяющая производить двухэтапное закрепление грунта. Для этой цели монитор оборудован дополнительным вертикальным патрубком, перекрываемым стальным шариком.
В данной конструкции резьбовое соединение выполнено на внутренней соосной растворной трубе. Внешняя, воздушная труба имеет в соединении уплотнение в виде резинового кольца. Поскольку давление в воздушной линии существенно ниже, чем в растворной, такое решение является более рациональным по сравнению с конструкцией, показанной на рис. 1.17.

Рис.1.18. Двухкомпонентный струйный монитор для двухэтапной технологии
1-внешний корпус; 2-внутренний корпус; 3-размывающая жидкостная насадка;
4-воздушная насадка; 5-канал для погружения с подмывом; 6-шарик; 7-подводящая
труба для жидкости; 8-подводящая труба для сжатого воздуха

