Технические характеристики гидростатических нивелиров
Гидростатические нивелиры не требуют сложных поверок, они просты в обращении и обеспечивают быстрое определение превышения. Гидростатическое нивелирование, кроме того, дает широкие возможности автоматизации измерений и получения непрерывной информации о высотном положении наблюдаемых объектов. Гидростатические нивелиры применяют:
- при нивелировании фундаментов и монтаже крупногабаритного оборудования;
- для контроля укладки крупных блоков, перемычек и панелей междуэтажных перекрытий;
- при устройстве облицовки, при отделочных и архитектурных работах;
- при работах по укладке полов и монтаже внутреннего сантехнического оборудования;
- при монтаже оборудования и трубопроводов в котельных и промышленных цехах;
- для измерения отклонений от горизонтальности и прямолинейности направляющих большой длины;
- при монтажных работах на строительстве шахт и метро;
- при наблюдениях за осадками и деформациями опор мостовых кранов, опор транспортных мостов и других сооружений, подвергающихся действию динамических нагрузок, а также за осадками зданий и сооружений, особенно таких уникальных, как ускорители заряженных частиц;
- при строительстве самотечных канализационных коллекторов с малыми уклонами;
- при передаче высот через крупные водные преграды;
- для создания стационарной аппаратуры для наблюдения за деформациями крупных сооружений, тектоническими движениями земной коры, для передачи высот через крупные водные преграды и т. п.
Нивелирование с помощью жидкости, свободная поверхность которой всегда устанавливается нормально к направлению силы тяжести и в сообщающихся сосудах располагается на одном уровне, независимо от массы жидкости и поперечных сечений сосудов, зародилось в глубокой древности. Более 2,5 тысяч лет назад трассирование канала, соединяющего Средиземное и Красное моря, выполнялось с помощью хоробата — переносного вытянутого желоба, наполненного водой, свободная поверхность которой использовалась для построения горизонтального луча зрения. На основании основного уравнения гидростатики
p = p0 + γz (3.19)
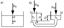
величина р гидростатического давления в какой-либо точке М (рис. 3.30, а) жидкости с объемным весом γ определяется давлением р0 над поверхностью жидкости и глубиной z погружения этой точки. Следовательно, в покоящейся жидкости давление во всех точках одной и той же уровенной поверхности одинаково.

Рис. 3.30. Гидростатическая система
а) к определению
гидростатического давления в точке М; б) сообщающиеся сосуды
Пусть имеются два сообщающихся сосуда 1 и 2 (рис. 3.30, б), заполненных жидкостями с различными значениями γ1 и γ2 объемного веса; давления на поверхностях жидкостей в сосудах соответственно р01 и р02.
Если z1 и z2 — высоты свободных поверхностей жидкостей над поверхностью I-II их раздела в одном из сосудов, то в соответствии с основным уравнением гидростатики гидростатическое давление в плоскости I-II:
р = р01 + γ1z1. (3.20)
С другой стороны, учитывая глубину z2 погружения поверхности I-II под уровнем жидкости в сосуде 2, получим:
р = р02 + γ2z2. (3.21)
Приравняв правые части (3.20) и (3.21), найдем уравнение равновесия жидкостей в сообщающихся сосудах:
р01 + γ1z1 = р02 + γ2z2, (3.22)
из которого следует, что при равенстве давлений р01 и р02 на свободных поверхностях жидкостей в сосудах γ1z1 = γ2z2, откуда
γ1/γ2 = z2/z1. (3.23)
Если сосуды заполнены однородной жидкостью с одинаковыми значениями объемного
веса (γ1 = γ2), то поверхности жидкости в этих сосудах
устанавливаются на равных высотах z1 = z2, отсчитываемых в данном случае от
любой произвольно выбранной горизонтальной плоскости сравнения, и могут служить
при нивелировании горизонтальной визирной плоскостью.
Виды и точность измерений гидростатических нивелиров
Простейший гидростатический нивелир — трубчатый, состоящий из двух стеклянных цилиндрических сосудов, соединенных жесткой трубкой. Нивелир заполняют какой-либо подкрашенной жидкостью примерно до половины высоты сосудов. Визируя по поверхности жидкости на установленные на нивелируемых точках рейки с делениями, производят отсчеты по ним, как при геометрическом нивелировании, но невооруженным глазом. Подробнее...

